在當今快速發展的電子設備市場中,電源適配器的性能和效率對于設備的穩定運行至關重要。隨著USB-C接口和USB-PD協議的廣泛應用,市場對高性能、高效率的電源適配器的需求日益增加。本文將詳細介紹基于BP87112和BP6211B芯片的20W A+C電源適配器參考設計,該設計支持12V/1.67A、9V/2.22A和5V/3A的輸出規格,旨在為用戶提供一個高效、可靠的電源解決方案。
BP87112是一款專為高性能電源適配器設計的控制芯片,具有以下特點:
集成650V高壓IGBT結構:能夠承受高輸入電壓,適用于寬電壓范圍的應用場景。
集成高壓啟動功能:簡化了啟動電路設計,降低了系統成本。
內置軟啟動功能:有效減少了啟動過程中的電流沖擊,提高了系統的穩定性。
65KHz工作頻率:支持CCM(連續導通模式)和DCM(不連續導通模式)工作模式,適應不同的負載需求。
完備的保護功能:包括OCP(過流保護)、OVP(過壓保護)、UVLO(欠壓鎖定)和OTP(過溫保護)等,確保芯片在異常情況下能夠安全運行。
六級能效&低待機損耗:符合國際能效標準,降低能源浪費。

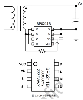
BP6211B是一款高效率的同步整流芯片,專為反激變換器設計,具有以下特點:
集成60V同步整流MOSFET:支持CCM、DCM和QR(準諧振)模式,適應多種工作模式。
自適應驅動電壓和超快速關斷:提高了整流效率,減少了開關損耗。
可用于正端和負端整流:靈活性高,適用于多種電路設計。
芯片自供電:正端整流無需輔助繞組供電,簡化了電路設計。
六級能效&低待機損耗:符合國際能效標準,降低待機功耗。

電壓范圍:90VAC至264VAC
頻率范圍:47Hz至63Hz
5V輸出:3A,紋波小于150mV
9V輸出:2.22A,紋波小于150mV
12V輸出:1.67A,紋波小于150mV
空載功耗:小于75mW(230VAC輸入)
傳導EMI:符合CISPR22B/EN55022 class B標準
環境溫度:0℃至25℃
雷擊測試:1kV差模
靜電測試:15kV空氣放電
參考設計的電路圖如下所示:

輸入整流:采用BD1整流橋,將交流輸入轉換為直流。
濾波電容:使用CE1和CE2電解電容進行輸入濾波。
主變壓器:采用EE17磁芯,初級繞組感量為1250uH,漏感量小于20uH。
控制芯片:BP87112作為主控芯片,通過反饋引腳FB調節輸出電壓。
同步整流:BP6211B作為同步整流芯片,提高效率。
輸出濾波:使用CE4固態電容進行輸出濾波,確保輸出電壓的穩定性。
主板尺寸:34.6mm x 40.4mm
小板尺寸:12.3mm x 16mm
布局優化:確保功率環路面積最小化,減少EMI輻射。
主要元件:
BP87112控制芯片
BP6211B同步整流芯片
主變壓器(EE17磁芯)
輸入整流橋(BD1)
輸入濾波電容(CE1、CE2)
輸出濾波電容(CE4)
其他輔助元件(電阻、電容、電感等)

測試結果:在230VAC輸入下,空載功耗小于75mW,符合設計要求。
5V輸出:在不同輸入電壓下,效率均超過85%,平均效率達到87.5%。
9V輸出:在不同輸入電壓下,效率均超過85%,平均效率達到88.5%。
12V輸出:在不同輸入電壓下,效率均超過85%,平均效率達到89%。
5V輸出:紋波小于88.7mV(90VAC輸入)和71.2mV(264VAC輸入)。
9V輸出:紋波小于102.4mV(90VAC輸入)和71.2mV(264VAC輸入)。
12V輸出:紋波小于97.6mV(90VAC輸入)和57.6mV(264VAC輸入)。
5V輸出:在10%至90%負載變化下,動態負載響應小于940mV。
9V輸出:在10%至90%負載變化下,動態負載響應小于850mV。
12V輸出:在10%至90%負載變化下,動態負載響應小于780mV。
傳導EMI:符合CISPR22B/EN55022 class B標準。
輻射EMI:在不同輸出電壓和接口類型下,均符合相關標準。
測試結果:在滿載條件下,BP87112溫度為117.8℃,BP6211B溫度為106.5℃,變壓器溫度為107.5℃,均在安全范圍內。
某電子設備制造商需要為其新款設備設計一個20W A+C電源適配器,要求高效、穩定且符合國際標準。
電路設計:根據BP87112和BP6211B的特性,設計了上述電路圖和PCB布局。
元件選擇:根據BOM清單,選擇了合適的元件。
性能測試:進行了空載功耗、效率、紋波、動態負載響應、EMI和溫度測試,確保所有指標符合設計要求。
效率提升:設計的電源適配器在不同輸出電壓下均表現出高效率,降低了能源浪費。
穩定性高:輸出電壓紋波小,動態負載響應快,確保設備在不同負載條件下穩定運行。
符合標準:通過了EMI和ESD測試,符合國際標準,提高了產品的市場競爭力。
基于BP87112和BP6211B芯片的20W A+C電源適配器參考設計,通過精心的電路設計、元件選擇和性能測試,實現了高效、穩定且符合國際標準的電源解決方案。該設計不僅提高了電源適配器的效率,還降低了功耗和成本,為電子設備制造商提供了一個可靠的電源解決方案。在實際應用中,該設計已經得到了廣泛的認可和應用,為用戶帶來了顯著的效益。